
工作原理
冷熱沖擊系統在正常運行時,通過恒定壓力和流速的冷卻介質,源源不斷流經加熱罐體部分,將熱水帶至被測試器件,經過與管路進行熱交換,加溫后回至循環泵的進口,待預設時間到時,通過電磁閥的切換,介質流經制冷機水箱,經過與水箱內部冷水熱交換,散熱后回至循環泵的進口,預設時間到時進行下一次的切換。
在加溫過程中,由預設的溫控系統通過改變電加熱器的電流來控制加熱功率,從而實現精密控制水溫的要求。
在降溫過程中,介質源源不斷的流經制冷機外部水箱,熱量轉移至制冷機,再由制冷機內部自動控制將熱量散至大氣中,從而實現精密控制水溫的要求。
為適應大功率電力電子設備在高電壓條件下的使用要求,防止在高電壓環境下產生漏電流,循環介質必須具備極高的電阻率。因此在主循環冷系統上并聯了去離子水處理回路。預設定流量的一部分介質恒定流經離子交換器,不斷凈化管路中可能析出的離子,與主循環回路介質在高壓循環泵前合流。與離子交換器連接的補液裝置和與高位水箱恒壓系統保持系統管路中冷卻介質的充滿及隔絕空氣。
系統中各機電單元及傳感器由PLC自動監控運行,并通過smart 700觸摸屏實現人機信息的實時交流。系統運行參數和報警信息條實時傳輸至主控制器,并可通過主控制器遠程操控水冷系統,實現冷卻系統與主機的無縫接合。
主要構成
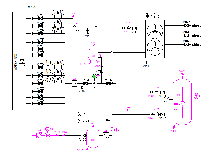
主要由主循環泵、加熱系統、制冷系統、穩壓系統等構成,具體的工藝流程圖如圖5.1所示。

電話:薛經理 18958165972 網址:www.cdhuiya.cn
地 址:江蘇省南通市崇川區景興東路58號